HPC50-100
71.3 LPM ~ 142.5 LPM
700 rpm
1500 rpm to 1800 rpm
130 Bar to 160 Bar
As your requirements
304 /316 / Duplex / Super Duplex Stainless Steel
| Series: | |
|---|---|
| Availability: | |
| Quantity: | |
HPC50-100 stainless steel piston pumps are designed for two ports and are mainly used in pump group systems. The pump is not designed to suck water, and the inlet pressure must always be positive. If this cannot be guaranteed, it will cause permanent failure of the pump.
The simplest method is to remove the inlet pipe of the pump and measure the flow. When the liquid level of the water tank is at the lowest value, the water supply flow must be 20% larger than the delivery flow of the pump to ensure that the inlet always maintains positive pressure when the pump is running.
Do not install a filter between the pump and the water tank with direct water supply, unless a pressure switch is installed on the inlet pipe to ensure that the inlet of the pump is not affected by negative pressure;
m
Use a standard bell housing and coupling for connecting the pump to the B5 motor flange. The pump must not be operated with axial or radial loads on the output shaft; gear couplings are used whenever possible.
HPC50-100 pumps are used between 2℃ and 50℃ to achieve full performance. For temperatures below freezing, environmentally friendly antifreeze is required; those above 50℃ are also possible, but the volumetric efficiency of the pump will be affected and the maximum operating temperature must be specified before ordering.
All water entering the pump must be pre-filtered to a nominal rating of 10um (absolute value of 25um).
For closed loop systems, backflow filtration is possible. High-pressure filtration can also be used, but we think this is a more expensive option.
The standard product works well on drinking water and industrial water (I. e. distilled water, reverse osmosis water, or demineralized water). Depending on the operating environment, changes to the sealing material or structure may be required.
Standard construction can be used on seawater, however, due to the increased corrosion potential of the liquid, the longer-term operation may require higher-quality material construction.
| Name | High Pressure Piston Water Pump HPC50-100 |
| Stock Status | Inventory, and Usually Ships in 2 Weeks |
| Weight | 24.8KG |
| Country of Origin | China |
| Email For Price | YES |
| Series | W |
| Related Products | Please go to HPC DATA SHEET |
HPA160 - 50W,HPC160 - 50W
HPA160 - 65W,HPC160 - 65W
HPA160 - 71W,HPC160 - 71W
HPA160 - 81W,HPC160 - 81W
HPA130 - 100W,HPC130 - 100W
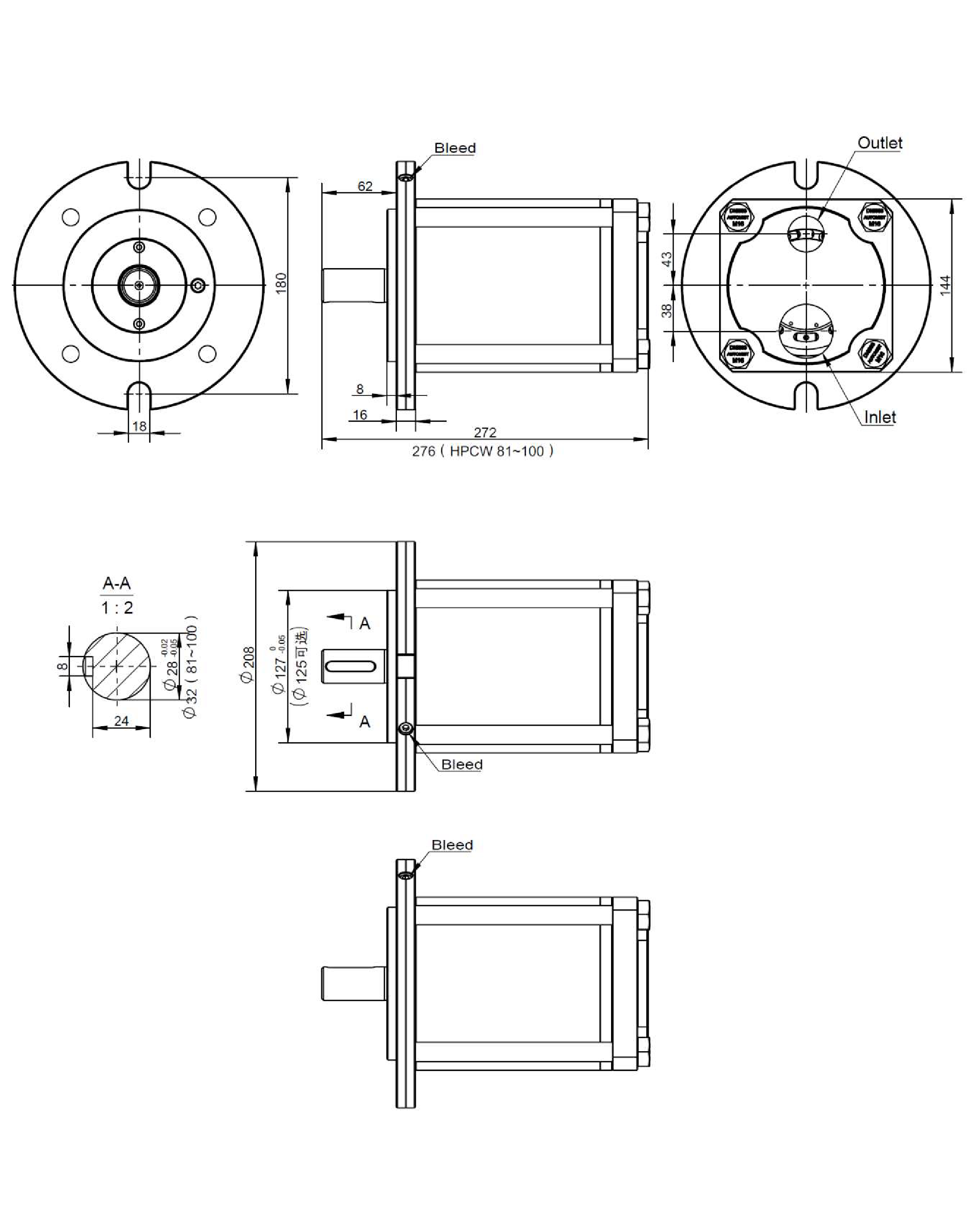
| Flat key size | 10*8*40 (DIN6885) |
| Vent Port Bolt (Bleed) | M6 |
| T Port (Inlet Port) | G 1-1/2" (T Port) |
| Pressure Port (Outlet Port) | G 1" (P Port) (HPC50W-71W) G 1-1/4" (P Port) (HPC81W-100W) |
![]()


HPC50-100 stainless steel piston pumps are designed for two ports and are mainly used in pump group systems. The pump is not designed to suck water, and the inlet pressure must always be positive. If this cannot be guaranteed, it will cause permanent failure of the pump.
The simplest method is to remove the inlet pipe of the pump and measure the flow. When the liquid level of the water tank is at the lowest value, the water supply flow must be 20% larger than the delivery flow of the pump to ensure that the inlet always maintains positive pressure when the pump is running.
Do not install a filter between the pump and the water tank with direct water supply, unless a pressure switch is installed on the inlet pipe to ensure that the inlet of the pump is not affected by negative pressure;
m
Use a standard bell housing and coupling for connecting the pump to the B5 motor flange. The pump must not be operated with axial or radial loads on the output shaft; gear couplings are used whenever possible.
HPC50-100 pumps are used between 2℃ and 50℃ to achieve full performance. For temperatures below freezing, environmentally friendly antifreeze is required; those above 50℃ are also possible, but the volumetric efficiency of the pump will be affected and the maximum operating temperature must be specified before ordering.
All water entering the pump must be pre-filtered to a nominal rating of 10um (absolute value of 25um).
For closed loop systems, backflow filtration is possible. High-pressure filtration can also be used, but we think this is a more expensive option.
The standard product works well on drinking water and industrial water (I. e. distilled water, reverse osmosis water, or demineralized water). Depending on the operating environment, changes to the sealing material or structure may be required.
Standard construction can be used on seawater, however, due to the increased corrosion potential of the liquid, the longer-term operation may require higher-quality material construction.
| Name | High Pressure Piston Water Pump HPC50-100 |
| Stock Status | Inventory, and Usually Ships in 2 Weeks |
| Weight | 24.8KG |
| Country of Origin | China |
| Email For Price | YES |
| Series | W |
| Related Products | Please go to HPC DATA SHEET |
HPA160 - 50W,HPC160 - 50W
HPA160 - 65W,HPC160 - 65W
HPA160 - 71W,HPC160 - 71W
HPA160 - 81W,HPC160 - 81W
HPA130 - 100W,HPC130 - 100W
| Flat key size | 10*8*40 (DIN6885) |
| Vent Port Bolt (Bleed) | M6 |
| T Port (Inlet Port) | G 1-1/2" (T Port) |
| Pressure Port (Outlet Port) | G 1" (P Port) (HPC50W-71W) G 1-1/4" (P Port) (HPC81W-100W) |
![]()

